970.01
Operational Note: In making models or drawing the concentric growth of closest-packed sphere-shells, we are illustrating with great-circle cross sections through the center of the vector equilibrium; i.e., on one of its symmetrically oriented four planes of tetrahedral symmetry; i.e., with the hexagonally cross-section, concentric shells of half- VEs.
970.02
Your eye tends quickly to wander as you try to draw the closest-packed spheres’ equatorial circles. You have to keep your eye fixed on the mid-points of the intertriangulated vectorial lines in the matrix, the mid-points where the half-radiuses meet tangentially.
970.03
In the model of 10F² + 2, the green area, the space occupied by the sphere per se, is really two adjacent shells that contain the insideness of the outer shell and the outsideness of the inner shell. These combine to produce tangentially paired shells—ergo, two layers.
970.10
Rationality of Planar Domains and Interstices: There is a 12F² + 2 omniplanar-bound, volumetric-domain marriage with the 10F² + 2 strictly spherical shell accounting. (See tables at Sec. 955.40 and at Sec. 971.00.)
970.11
Both the total inventories of spheres and their planar-bound domains of closest-packed sphere VE shells, along with their interstitial, “concave” faceted, exclusively vector equilibrium or octahedral spaces, are rationally accountable in nonfractional numbers.
970.12
Synergetics’ isotropic-vector-matrix, omnisymmetric, radiantly expansive or contractive growth rate of interstices that are congruent with closest-packed uniradius spheres or points, is also rational. There is elegant, omniuniversal, metaphysical, rational, whole number equating of both the planar-bound polyhedral volumes and the spheres, which relationships can all be discretely expressed without use of the irrational number pi (π), 3.14159, always required for such mathematical expression in strictly XYZ coordinate mathematics.
970.13
A sphere is a convexly expanded vector equilibrium, and all interclosest- packed sphere spaces are concavely contracted vector equilibria or octahedra at their most disequilibrious pulsative moments.
970.20
Fig. 970.20 Basic Vector Equilibrium Concentric Shell Structure
Fig. 970.20 Basic Vector Equilibrium Concentric Shell Structure: The legend at the bottom illustrates the interstitial between-sphere spaces.
Link to original
Spheres and Spaces: The successive (20F³) - 20 (F - 1)³ layer-shell, planar-bound, tetrahedral volumes embrace only the tangential inner and outer portions of the concentrically closest-packed spheres, each of whose respective complete concentric shell layers always number 10F² + 2. The volume of each concentric vector-equilibrium layer is defined and structured by the isotropic vector matrix, or octet truss, occurring between the spherical centers of any two concentric-sphere layers of the vector equilibrium, the inner part of one sphere layer and the outer part of the other, with only the center or nuclear ball being both its inner and outer parts.
970.21
There is realized herewith a philosophical synergetic sublimity of omnirational, universal, holistic, geometrical accounting of spheres and spaces without recourse to the transcendentally irrational pi (π). (See drawings section.) (See Secs. 954.56 and 1032.)
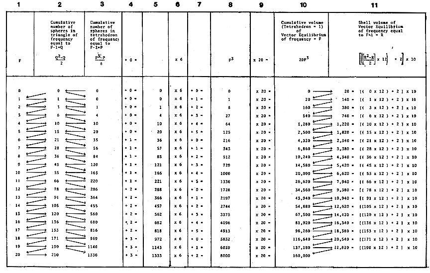
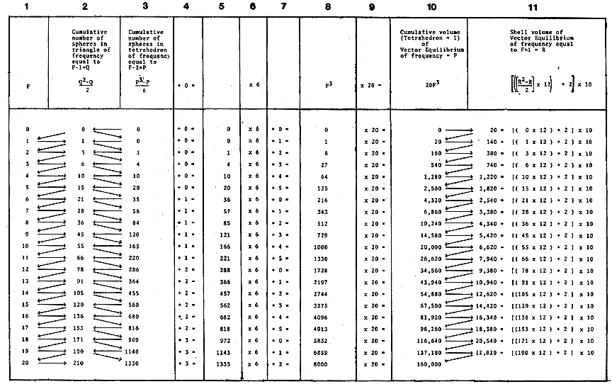
971.00 Table of Basic Vector Equilibrium Shell Volumes
971.01

Relationships Between First and Third Powers of F Correlated to Closest-Packed Triangular Number Progression and Closest-Packed Tetrahedral Number Progression, Modified Both Additively and Multiplicatively in Whole Rhythmically Occurring Increments of Zero, One, Two, Three, Four, Five, Six, Ten, and Twelve, All as Related to the Arithmetical and Geometrical Progressions, Respectively, of Triangularly and Tetrahedrally Closest-Packed Sphere Numbers and Their Successive Respective Volumetric Domains, All Correlated with the Respective Sphere Numbers and Overall Volumetric Domains of Progressively Embracing Concentric Shells of Vector Equilibria: Short Title: Concentric Sphere Shell Growth Rates.
971.02
The red zigzag between Columns 2 and 3 shows the progressive, additive, triangular-sphere layers accumulating progressively to produce the regular tetrahedra.
971.03
Column 4 demonstrates the waves of SIX integer additions to the closest- packed tetrahedral progression. The first SIX zeros accumulate until we get a new nucleus. The first two of the zero series are in fact one invisible zero: the positive zero plus its negative phase. Every six layers we gain one new, additional nucleus.
971.04
Column 5 is the tetrahedral number with the new nucleus.
971.05
In Column 6, the integer SIX functions as zero in the same manner in which NINE functions innocuously as zero in all arithmetical operations.
971.06
In Column 6, we multiply Column 5 by a constant SIX, to the product of which we add the six-stage 0, 1, 2, 3, 4, 5 wave-factor growth crest and break of Column 7.
971.07
Column 7’s SIXness wave synchronizes elegantly the third-power arithmetical progression of N, i.e., with the integer-metered volumetric growth of N. Column 7’s SIXness identifies uniquely with the rhombic dodecahedron’s volume- quantum number. Column 7 tells us that the third powers are most fundamentally identified with the one central, holistic, nuclear-sphere-containing, or six-tangented- together, one-sixth sphere of the six vertexes of the 144 A and B Moduled rhombic dodecahedra.
971.08
Columns 6 and 7 show the five-sixths cosmic geometry’s sphere/space relationship, which is also relevant to:
- 120 icosa’s basic sphere surface triangles as the outer faces of the icosahedron’s 120 centrally convergent similar tetrahedra, which 120 modules of icosahedral unity correspond in respect to the radially centralized, or circumferentially embracing 144 modules uniquely constituting and exclusively defining the rhombic dodecahedron sphere;
- as 120 is to 144;
- the icosahedron is to spherical unity as 5 is to 6;
- as is also any one shell of the vector equilibrium’s concentric closest-packed sphere count to its corresponding concentric omnispace volume count, i.e., as 10 is to 12.
971.09
Column 10 lists the cumulative, planar-bound, tetrahedral volumes of the arithmetical progression of third powers of the successive frequencies of whole vector equilibria. The vector equilibrium’s initial nonfrequencied tetra-volume, i.e., its quantum value, is 20. The formula for obtaining the frequency-progressed volumes of vector equilibrium is:
971.10
In Column 11, we subtract the previous frequency-vector equilibrium’s cumulative volume from the new one-frequency-greater vector equilibrium’s cumulative volume, which yields the tetrahedral volume of the outermost shell. The outer vector equilibrium’s volume is found always to be:
971.11
Incidentally, the part of the formula is inherent in the formula which determines the exact number of unique relationships always existing between any number of items.
971.20
Pulsation Between Icosahedron and Vector Equilibrium: There is manifest in the icosahedral fiveness, in contradistinction to the vector equilibrium’s sixness, the seemingly ever annihilatable and ever-re-creatable integer, eternally propagating the complex of unique frequencies of the 92 inherently regenerative chemical elements as well as all the other unique resonances and frequencies of the electromagnetic, protoplasmic, pneumatic-hydraulic, and crystallographic spectrums, whose omnidirectional yes-no pulsativeness occasions the omniexperienceable, exclusively wavilinear, optically or instrumentally tunable, allness of time-accommodated human experience.
972.00 Universal Integrity Model
972.01
Gravitational-Radiational: In its introvert mode, the rhombic dodecahedron interconnects six 1/6th spheres and manifests gravity. In its extrovert mode, the rhombic dodecahedron comprises one whole sphere at its center with no other spheres implied; these are the spheres that together fill allspace. The extrovert mode of the rhombic dodecahedron manifests radiation.
972.02
The rhombic dodecahedron is the integrated sphere (syntropic) OR the disintegrated sphere (entropic).
973.00
Basic Tetrahedra as Volumetric Modules
973.01
Basic Tetrahedron: Each Basic Tetrahedron (Syte)⁶ is semisymmetric, four of its six edges consisting always of two pairs of equal-length edges and only two being of odd lengths. The Syte itself consists of six entirely asymmetric Modules, four of which are dissimilar to the other two:
- 2 A ( + ) positive Modules
- 2 A ( - ) negative Modules
- 1 B ( + ) positive Module
- 1 B ( - ) negative Module
(Footnote 6: See Sec. 953.40.)
973.10
Regular Tetrahedron: The Plato-identified “regular” (i.e., omnisymmetric) tetrahedron is comprised entirely of A Modules: 12 positive A s and 12 negative A s, but the symmetric, “regular, ” Platonic, equiangled, equi-edged tetrahedron cannot by itself fill allspace as could the cube, the rhombic dodecahedron, and the tetrakaidecahedron—none of which allspace-filling forms have self-stabilizing structural-conformation integrity, not being comprised of triangles, which alone can stabilize pattern.
973.11
The “regular” Platonic tetrahedron may be combined with the octahedron to fill allspace.
973.12
The volumes of all the symmetrical Platonic polyhedra, except the icosahedron and its pentagonal dodecahedron, are whole, low-order-number multiples of the “regular” Platonic tetrahedron, consisting itself of 24 modules, making that tetrahedron seemingly the “basic unit of measure” of all polyhedra. The inability of that “regular” tetrahedron to fill all cosmic space turns our comprehensive, cosmic-coordinate- system exploration to the consideration of the least common divisor aggregates of the A and B Modules.
973.20
Functions of A and B Quanta Modules and Sytes: The A and B Quanta Modules are omnitriangulated and individually asymmetric but not maximally asymmetric. The A Quanta Module has three of its 12 total angles at 90 degrees, and the B Quanta Module has two 90-degree angles. The A Quanta Module has a 30-degree and a 60- degree angle. The B Quanta Module has two 45-degree angles.
973.21
These angles all represent low-order whole fractions of unity: 1/4, 1/6, 1/8, 1/12, and 1/16 of unity in a planar circle; all the other angles of the A and B Quanta Modules are unit and symmetric central angles of the tetrahedron and octahedron.
973.22
The variety of their mixability produces what need be only momentary bewilderment and only an illusion of “disorder” occasioned initially by the subtlety and muchness of the unfamiliar.
973.23
This brings us to consider the only superficially irregular, only semiasymmetric Syte as possibly being the most separately universal structural-system entity.
973.24
The Syte, consisting of only six modules and filling allspace in a threefold intertransformable manner, is found to be far more universal and “primitive” than the regular tetrahedron. The Mite is the single most universal and versatile structural component—save for its own subcomponents, the A and B Quanta Modules, which of unit volume and non-mirror-imaged complementation do indeed initially provide, singly or in complementation, the beginnings of all cosmic structuring.
973.25
The Syte’s six Modules are always subdivided into two sets of three Modules each—two As, one B—of which two sets of the three Modules each are identically dimensioned both angularly and linearly, but one is inside out of the other. Therefore, one set of three Modules-two As, one B—is positively outside-outed, and the other is negatively inside-outed.
973.30
Particle and Wave Involvement: Particle Quanta Equation: (Prime numbers 2 and 5) 973.31 Wave Quanta Equation: (Prime numbers 2, 5, and 3)
973.32
One is particle involvement; the other is total involvement. Inadvertently, they correlate the sphere and all the other polyhedra rationally.
973.33
The difference is the difference between using the tetrahedron as volumetric unity, while the physicist has always been using the cubic centimeter of water—and then only lifting it in one direction, against gravity, against the imagined plane of the world. But, synergetics moves omnidirectionally, inwardly, outwardly, and aroundly. (See Secs. 505.40, 1009.36 and 1012.37.)
974.00 Initial Frequency
974.01
The initially potential-only frequency (F = + 1, -1) vector equilibrium has a volume of 20 regular tetrahedra, each of which consists of 24 A modules. 20 × 24 = 480 modules = initial vector equilibrium.
974.02
The initial-frequency vector equilibrium has alternatively either a radiant rhombic dodecahedron core or a gravitational rhombic dodecahedron core, either of these alternates being of identical overall size and shape. Both consist of 144 modules. From the 480 modules of the vector equilibrium, we subtract the 144 modules of the rhombic dodecahedron, which leaves 366 modules surrounding either the radiant or gravitational rhombic dodecahedron nuclear-sphere-enveloping core. Each module = 1/144th of our spherical domain. 336/144 = 2 1/3 ; and 480/144 = 3 1/3; therefore, one nuclear-sphere domain surrounded by the parts of exactly 2 1/3 additional spherical-domain-producing modules, distributed symmetrically around the nucleus in exactly 12 groups of 28 modules each. 2 1/3 spheres divided by 12 = 7/36ths of one spherical domain. 2 = 7/3 = 84/36 spheres = 7/36ths of a nuclear sphere. We do not produce any complete regular polyhedron by adding 28 modules to each of the 12 rhombic dodecahedron faces. While 28 modules, i.e., 7/36ths of one spherical domain, may be added to each corner vertex of the vector equilibrium, they do not produce any complete regular polyhedron at initial frequency where F = both + 1 and - 1. Each nucleated vector equilibrium = 3 spheres exactly, and not 13 whole spheres as do 12 closest packed around one. They have the centers of 12 fractional spheres (7/36 each) close packed around one whole sphere.
974.03
Each cube = 3 tetrahedra × 24 modules = 72 modules. 144 modules = 1 sphere. Each initial-frequency cube = 1/2 a spherical domain. Eight cubes in a F² cube = four spherical domains. Eight cubes have one whole central nuclear sphere and eight 1/8th spheres on the eight outer comers. The eight F = 1 cubes combined to = lF = 2 cubes have 8 × 72 = 576 modules.
974.04
One octahedron has 4 × 24 = 96 modules = 96/144 = 2/3 spherical domain. One vector equilibrium = 3 1/3 spheres. Therefore, one vector equilibrium plus one octahedron = four spheres = one tetrahedron of four closest-packed spheres. One Eighth- Octahedron = 96/8 = 12 modules. If we add eight Eighth-Octahedra to each of the vector equilibrium’s eight triangular faces, we produce a cube of 480 + 96 modules = 576 modules, which is the same as the eight-cube F = 2 cube.
